Контакты
Новости
Каталоги
 Войти
Сортировать:
Сначала новые
Сначала старые
Цена ↑
Цена ↓
Кол-во ↑
Кол-во ↓
Имя A→Я
Имя Я→A
Серийник ↑
Серийник ↓
87366898 - тяга
43 072 ₽
87367 - Шайба 1,06"x2""x0,13"", вся техн. CNH"
44 ₽
87367052 -
6 915 ₽
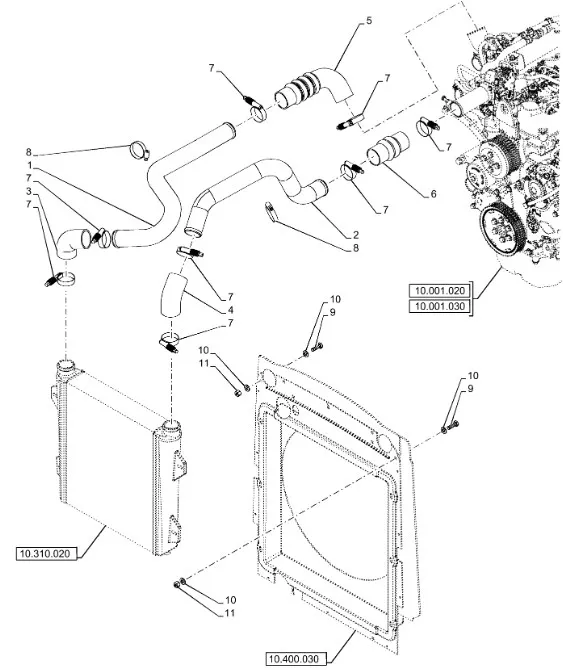
87367195 - Трубка
10 273 ₽
87367298 - гофрированная
390 ₽
87367444 - Шланг
18 658 ₽
87367445 - Шланг
20 254 ₽
87367495 - винт
23 ₽
87367548 - шланг
8 402 ₽
87367550 - Болт фланцевый
2 215 ₽
87367555 - Шланг насосадозатора рул. колонки 570мм Т7/Pm, T6090
11 407 ₽
87367560 - Болт
7 747 ₽
87367563 - корпус
59 521 ₽
87367566 - корпус
91 231 ₽
87367620 - Штифт
231 ₽
87367622 - Рукав
470 ₽
87367626 - Патрубок
26 391 ₽
87367790 - переключатель
4 354 ₽
87367792 - соленоид
6 125 ₽
87367793 - выключатель
4 746 ₽
87382260 - Рукав
5 202 ₽
87382261 - Рукав
2 545 ₽
87382291 - корпус подшипника
94 726 ₽
87382295 - шестерня
5 448 ₽
«
<
1
...
34101
34102
34103
34104
34105
...
34117
>
»
Страница:
Перейти